找回密碼
 新用戶註冊
搜索
熱搜: hifi av 音樂
查看: 7475|回復: 6

[分享] CLASS A甲類線性電源

[複製鏈接]
發表於 2012-4-7 08:50:49 | 顯示全部樓層 |閱讀模式
本帖最後由 天下第一刀 於 2012-4-7 08:56 編輯

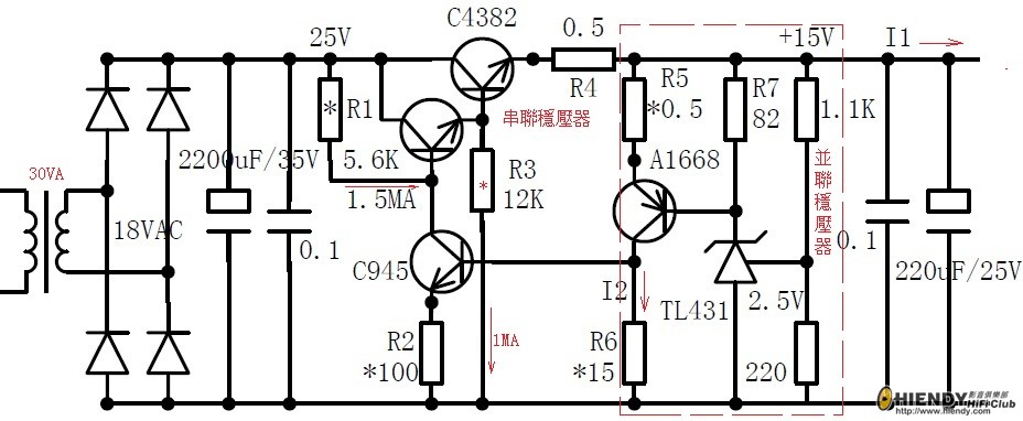
CLASS A甲類線性電源
如圖﹐全新設計CLASS A全甲類串並聯雙結合式前級電源﹔
紅色方框圖部份(Class A Power)由TL431組成的並聯穩壓器﹐調整R6使A1688靜態電流I2等于前級或
運放靜態電流I1成CLASS A甲類工作狀態﹐當電源調整管反應不過來時該並聯穩壓器
完全滿足前級高速動態要求﹐而接在R6上的C945的基極電流很小﹐可以忽略﹐當輸
出上昇時TL431電流上昇﹐A1688電流上昇R6上的電壓上昇﹐即C945基極電壓上昇﹐
C945集電極電壓下降而使電源調整管輸出電壓下降﹐使輸出電壓穩定﹔當輸出電壓
下降時情況相反。

任何電容的加入將影響反應速度﹐要考慮20KHZ時的動態及瞬態響應。

正負電源可以將原雙輸出電源變壓器拆開兩組分別整流。看圖。

由于並聯穩壓器的變相插入﹐同並聯穩壓器有很好濾波作用﹐串並聯雙結合高速的
反應使聽感全頻平衡﹐有比電池更寬松的動態﹑更高速的感覺。
Class A Power.jpg
Class A Power+-15.jpg

評分

2

查看全部評分

發表於 2012-4-8 12:21:55 | 顯示全部樓層
真係低手到呢
正負電源用晒正穩壓.
對地內阻都唔平衡點會好聲丫
傻瓜傻瓜
回復

使用道具 舉報

 樓主| 發表於 2012-4-8 22:00:59 | 顯示全部樓層
本帖最後由 天下第一刀 於 2012-4-8 23:29 編輯
伏喱哩 發表於 2012-4-8 12:21
真係低手到呢
正負電源用晒正穩壓.
對地內阻都唔平衡點會好聲丫

+_平衡已經好聲﹐用不同極性的石頭會使輸出在一定時間後電壓不平衡﹐你想的問題
非常易解決.
不過電路就不簡潔﹐使用差分電路後可能引起自激﹐加入電容後就影響瞬態響應.
實踐證明﹐+_電源用兩個橋式整流好些﹐後級也是如此
ClassA-Power _15V.png

評分

2

查看全部評分

回復

使用道具 舉報

 樓主| 發表於 2012-4-9 04:38:21 | 顯示全部樓層
本帖最後由 天下第一刀 於 2012-4-11 05:23 編輯

前面穩壓後加RC並聯穩壓的音質最好﹐因為只電阻才是最高速的.

2 電阻的高速應變是任何器件無可比較的.
用10W左右﹐初級直流電阻20歐姆左右的電源變壓器初級代替圖2中22歐姆電阻後﹐
聽感更好。
P REG Class A.jpg
P-REG-2012-4-10.jpg

評分

2

查看全部評分

回復

使用道具 舉報

 樓主| 發表於 2012-7-10 04:31:14 | 顯示全部樓層
做了很多實驗﹐還是圖的聲音最自然及省電
2XTL431-Sampling-OK.jpg

評分

2

查看全部評分

回復

使用道具 舉報

發表於 2012-7-10 13:35:53 | 顯示全部樓層
What is Class A????
回復

使用道具 舉報

 樓主| 發表於 2012-7-10 16:05:04 | 顯示全部樓層
本帖最後由 天下第一刀 於 2012-7-10 16:23 編輯
vincenthoy28 發表於 2012-7-10 13:35
What is Class A????


All transisters are working in linear when loading and unloading ......

評分

2

查看全部評分

回復

使用道具 舉報

您需要登錄後才可以回帖 登錄 | 新用戶註冊

本版積分規則

Archiver|小黑屋|聯絡我們|刊登廣告|Hiendy.com 影音俱樂部 一個屬於音響愛好者的家

GMT+8, 2025-10-24 06:03 , Processed in 0.046306 second(s), 25 queries .

Powered by Discuz! X3.5

© 2001-2024 Discuz! Team.

快速回復 返回頂部 返回列表