找回密碼
 新用戶註冊
搜索
熱搜: hifi av 音樂
樓主: vhs

[黑膠系統] 2025年退燒之路

  [複製鏈接]
 樓主| 發表於 2021-7-10 17:12:50 | 顯示全部樓層
racewong 發表於 2021-7-10 14:41
點會呀, 平有平玩啫.

回復

使用道具 舉報

發表於 2021-7-10 17:47:42 | 顯示全部樓層
RPi4 + good DDC can easily beats high end CAS setup.
回復

使用道具 舉報

 樓主| 發表於 2021-7-10 20:21:11 | 顯示全部樓層
jimmyihv 發表於 2021-7-10 17:47
RPi4 + good DDC can easily beats high end CAS setup.

回復

使用道具 舉報

發表於 2021-7-11 16:54:57 | 顯示全部樓層
Bug head と MinorityClean は終わりにします
https://community.phileweb.com/mypage/entry/229/20210711/67986/
音楽を聴いて何も楽しくない。

ホームページとブログを閉鎖、VECTORでの配布を終了します。
久唔久又玩一次收皮,通常過咗一排又蒲頭。

好彩 MinorityClean 208 已經相當到家,個個試過之後都讚不絕口:

http://jplay.eu/forum/index.php?/topic/3063-pink-hq-minorityclean/?view=getlastpost
After a decent time listening to 208 and comparing it to 203 I'm sure 208 is best in my system. It sounds very natural and lively across the frequency spectrum. I might wish for a little more midrange, but that's a minor quibble. It looks like we all agree on this one (amazing!).
https://web.archive.org/web/20210703100404/http://www.mics.ne.jp/~cdorya/9038/MinorityClean_2021_Rev208_x64.zip

評分

2

查看全部評分

回復

使用道具 舉報

 樓主| 發表於 2021-7-11 17:44:16 | 顯示全部樓層
tleonard 發表於 2021-7-11 16:54
Bug head と MinorityClean は終わりにします
https://community.phileweb.com/mypage/entry/229/20210711/ ...

回復

使用道具 舉報

發表於 2021-7-11 21:10:08 | 顯示全部樓層
回復

使用道具 舉報

 樓主| 發表於 2021-7-11 22:52:15 | 顯示全部樓層
tleonard 發表於 2021-7-11 21:10
一粒盛惠 160 英鎊:

https://duelundaudio.com/cast-capacitor/

回復

使用道具 舉報

 樓主| 發表於 2021-7-13 11:16:46 | 顯示全部樓層
本帖最後由 vhs 於 2021-7-13 11:51 編輯
vhs 發表於 2021-7-4 23:26
I had the demo version of XXHighEnd installed in my music server few days ago and immediately got th ...


Update:

Settings of Process Lasso 及 XXHighEnd :

Music Server:

OS: WS2019 Core W/ AO3 (disable all network services/Timer Resolution = 0.5ms)
OS SSD: Optane 4800X 375G on PCIe Slot 3 ( cpu 0)
Music Files SSD: Optane 905P 1.5T on PCIe Slot 7 (cpu 1)
USB card: Jcat XE USB Card on PCIe Slot 5 (cpu 0)

Process Lasso:

ProBalance = on
Highest Performance = Yes

CPU affinity and Priority :
OS services assigned to cpu 0-23 (Priority : Normal)
XXHighEnd.exe assigned to cpu 0-23 (Priority : Low / Exclude from Probalance, Disable IdleSaver)
XXEngine3.exe assigned to cpu 24-39 (Priority : Real-time / Exclude from Probalance, Disable IdleSaver)

XXHighEnd:

XXHighEnd and XXEngine3 run from Optane 905P 1.5T (cpu1)

Dual Xeon Scalable 4214 with Hyperthreading On, 48GB Apacer RDimm at 2133MHz, WS2019 Core W/ AO3 / Engine#4 Adaptive Mode / Q1/-/3/4/5 = 14/-/*0*/*0*/*0*/ Q1Factor = 1 / Dev.Buffer = 4096 / ClockRes = 0.5 ms / Memory = Straight Contiguous / Include Garbage Collect / SFS = 500 (max 500) / not Invert / Phase Alignment Off / Playerprio = Low / ThreadPrio = Realtime / Scheme = No appointment/ Not Switch Processors during Playback = Off/ Playback Drive none / UnAttended (Just Start) / Always Copy to XX Drive = No / OSD Off (!) / Running Time Off / XTweaks : Not use / Always Clear Proxy before Playback = On





回復

使用道具 舉報

發表於 2021-7-18 08:06:22 | 顯示全部樓層
試問姣婆邊有本事守寡呢喂?話咁快 MinorityClean 又鹹魚翻生,循例 211 亦都超越咗 208:

http://jplay.eu/forum/index.php?/topic/3063-pink-hq-minorityclean/?view=getlastpost
Holy mother of god... 211 is INCREDIBLE

Compared to 208, it has sweeter high end, it is much wider and spatially open... But most importantly, the bass... It is much bigger, more solid and more powerful compared to 208 (and 208 already had incredible bass)

211>>>208
My initial impressions of 211 are all good
MC 211...has an unexplainable spirit! It has drive and esprit...., like the handbrake was released. Love it!
MC 211 is amazing, I concur. Insanely clear, extended, and dynamic.

評分

2

查看全部評分

回復

使用道具 舉報

 樓主| 發表於 2021-7-18 13:48:22 | 顯示全部樓層
tleonard 發表於 2021-7-18 08:06
試問姣婆邊有本事守寡呢喂?話咁快 MinorityClean 又鹹魚翻生,循例 211 亦都超越咗 208:

http://jplay.e ...

回復

使用道具 舉報

發表於 2021-8-29 17:49:22 | 顯示全部樓層
回復

使用道具 舉報

 樓主| 發表於 2021-8-29 21:30:44 | 顯示全部樓層
tleonard 發表於 2021-8-29 17:49
Windows Server 2022 正式版,download 完之後記住要 verify 個 SHA-1 嘅 hash:

https://docs.microsoft. ...

回復

使用道具 舉報

 樓主| 發表於 2021-8-29 21:31:36 | 顯示全部樓層
tleonard 發表於 2021-8-29 17:49
Windows Server 2022 正式版,download 完之後記住要 verify 個 SHA-1 嘅 hash:

https://docs.microsoft. ...

I am obtaining the trial license for PGGB..........
回復

使用道具 舉報

 樓主| 發表於 2021-9-3 12:55:07 | 顯示全部樓層
Update:

Settings of Process Lasso 及 XXHighEnd :

Music Server:

OS: WS2019 Core W/ AO3 (disable all network services/Timer Resolution = 0.5ms)
OS SSD: Optane 4800X 375G on PCIe Slot 3 ( cpu 0)
Music Files SSD: Optane 905P 1.5T on PCIe Slot 7 (cpu 1)
USB card: Jcat XE USB Card on PCIe Slot 5 (cpu 0) w/ Sablon 2020 USB cables

Process Lasso:

ProBalance = on
Highest Performance = No (balanced scheme)

CPU affinity and Priority :
OS services assigned to cpu 0-23 (Priority : Normal)
XXHighEnd.exe assigned to cpu 24-47(Priority : Low / Exclude from Probalance, Disable IdleSaver)
XXEngine3.exe assigned to cpu 24-47 (Priority : Real-time / Exclude from Probalance, Disable IdleSaver)

XXHighEnd:

XXHighEnd and XXEngine3 run from Optane 905P 1.5T (cpu1)

Dual Xeon Scalable 4214 with Hyperthreading On, 48GB Apacer RDimm at 2400MHz, WS2019 Core W/ AO3 / Engine#4 Adaptive Mode / Q1/-/3/4/5 = 14/-/*0*/*0*/*0*/ Q1Factor = 1 / Dev.Buffer = 4096 / ClockRes = 0.5 ms / Memory = Straight Contiguous / Include Garbage Collect / SFS = 500 (max 500) / not Invert / Phase Alignment Off / Playerprio = Low / ThreadPrio = Realtime / Scheme = No appointment/ Not Switch Processors during Playback = Off/ Playback Drive none / UnAttended (Just Start) / Always Copy to XX Drive = No / OSD Off (!) / Running Time Off / XTweaks : Not use / Always Clear Proxy before Playback = On
回復

使用道具 舉報

 樓主| 發表於 2021-9-3 12:57:58 | 顯示全部樓層
供電比 Jcat XE USB card 的 5V4A LPS
2069A4AC-BBE6-45E4-B805-E0C1F36BAD42.jpeg
回復

使用道具 舉報

發表於 2021-9-3 14:31:30 | 顯示全部樓層
vhs 發表於 2021-9-3 12:57
供電比 Jcat XE USB card 的 5V4A LPS

回復

使用道具 舉報

 樓主| 發表於 2021-9-4 15:05:22 | 顯示全部樓層
回復

使用道具 舉報

 樓主| 發表於 2021-10-28 18:28:17 | 顯示全部樓層
中英大戰{:5_104:}
34FA9C0B-ADAA-4C07-A4D7-F6BE81814B58.jpeg
回復

使用道具 舉報

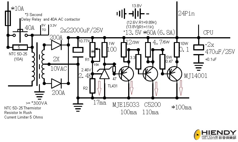
發表於 2021-11-3 11:25:57 | 顯示全部樓層
本帖最後由 天下第一刀 於 2021-11-3 12:33 編輯
vhs 發表於 2021-9-3 12:57
供電比 Jcat XE USB card 的 5V4A LPS


既然用到LPS﹐那么CPU用Class AB並聯穩壓限壓不穩壓更靚聲﹐有辦法散熱調成甲類穩壓超靚聲。主板CPU保護動作電壓14.4V。
所有音響補品對音頻數據電路同樣有效而且聲底100%一樣.LPS電源調整管的基極電流用並聯甲類穩壓輔助供電時完全隔離所有外來干擾﹐比整流前電源處理器效果好而且聽感好。
13.8 PSU.jpg

評分

1

查看全部評分

回復

使用道具 舉報

發表於 2021-11-19 08:02:26 | 顯示全部樓層
Windows Server 2019 Core 都要企埋一二邊,Windows PE 真係掂:

http://jplay.eu/forum/index.php?/topic/4350-win10-pe-as-audio-os/
I have disabled all network services, and now 20 base processes run, 19 excluding taskmgr.exe.
The sound has improved a lot, it is more precise, with more relief, and it is more focused. The timbral is very real.
Very grateful to all the suggestions of this forum
https://www.whatsbestforum.com/threads/taiko-audio-sgm-extreme-the-crème-de-la-crème.27433/page-206#post-655430
What if I disable all network cards in Windows, so the OS cannot perform any network activity? And what if I use HQplayer with no oversampling and connect via KVM to control the software. Well, this my friends was one of the biggest improvements on my DIY server.
另外 Nenon 師兄試過 iKVM 之後都話好很正,不過佢已經訂咗部 SGM Extreme 喇:

https://item.taobao.com/item.htm?id=586596422344
https://www.ruten.com.tw/item/show?22123065440649
https://www.ruten.com.tw/item/show?22143700821099

ASMB9-iKVM firmware image file version 1.15.3 for WS C621E SAGE
https://dlcdnets.asus.com/pub/ASUS/server/accessory/ASMB9/ASMB9_FW1153_WS_C621E_SAGE.zip

ASMB9-iKVM User Manual for English
https://dlcdnets.asus.com/pub/ASUS/server/accessory/ASMB9/E16160_ASMB9-iKVM_UM_V3_PRINT.pdf

Asus Server Management Card Utility 8.03
https://dlcdnets.asus.com/pub/ASUS/server/ASMB8-iKVM/ASMC8.zip

ASUS Server Management Web Tour with ASMB9-iKVM
https://www.servethehome.com/asus-server-management-web-tour-with-asmb9-ikvm/

ASUS WS C621E SAGE ASMB9 Settings
https://www.servethehome.com/asus-ws-c621e-sage-motherboard-search-incredible-over/asus-ws-c621e-sage-asmb9-settings/

IPMI 2.0 Management Upgrade Kit with KVM (Keyboard, Video, Mouse)
https://servers.asus.com/products/Servers/Server-Accessories/ASMB9-iKVM

本來 Nenon 師兄話過佢會整份 guide 嘅,但係放咗部 DIY server 之後都唔會有興趣搞咁多嘢喇:

https://audiophilestyle.com/forums/topic/58164-building-a-diy-music-server/page/52/#comment-1097171
I will be publishing a guide for tweaking Windows for this motherboard sometime next year. Planning to share everything I've learned since April. I am also working with Emile from Taiko on testing some of his technology that will most likely treacle down to the DIY market sometime next year. This coming year will be very exciting for DIY.
https://audiophilestyle.com/forums/topic/58164-building-a-diy-music-server/page/60/#comment-1101837
The current plan is to provide:

a. Instructions on how to obtain Windows LTSC. Someone else is working on that.

b. A configuration file for Ntlite to remove a bunch of components.

c. Some scripts that you can run to optimize Windows.

d. Some additional configurations.

e. A Process Lasso baseline config.
好彩 Windows PE 隨時仲加正,download 咗 USB Audio 嘅 driver 之後再加入去個 image:

https://dcsaudio.com/search/results?q=usb+windows+driver
https://dcsaudio.com/assets/Windows-USB-Driver-2018-1623066860.zip
https://dcsltd.fra1.cdn.digitaloceanspaces.com/media/2019/02/Windows-USB-Driver-2018.zip

Add and Remove Drivers to an offline Windows Image
https://docs.microsoft.com/en-us/windows-hardware/manufacture/desktop/add-and-remove-drivers-to-an-offline-windows-image

Drvload Command-Line Options
https://docs.microsoft.com/en-us/windows-hardware/manufacture/desktop/drvload-command-line-options

Win10XPE - How To Quick Start Guide
https://blog.kakaocdn.net/dn/eHq14c/btqtWiEuQbY/CNc7XJ59pLC04kHHkG3wck/Win10XPE%20-%20How%20To%20Quick%20Start%20Guide.pdf?attach=1&knm=tfile.pdf

評分

3

查看全部評分

回復

使用道具 舉報

您需要登錄後才可以回帖 登錄 | 新用戶註冊

本版積分規則

Archiver|小黑屋|聯絡我們|刊登廣告|Hiendy.com 影音俱樂部 一個屬於音響愛好者的家

GMT+8, 2025-11-11 11:47 , Processed in 0.066934 second(s), 23 queries .

Powered by Discuz! X3.5

© 2001-2024 Discuz! Team.

快速回復 返回頂部 返回列表