找回密碼
 新用戶註冊
搜索
熱搜: hifi av 音樂
樓主: Tmmi

[其他] DIY 的樂趣同好會

[複製鏈接]
發表於 2012-7-14 01:12:07 | 顯示全部樓層
ayuen 發表於 2012-7-14 01:00
靚聲咪得囉,話時話,幾時幫我整番套姐吓?但你今次要出十成功力架喎! ...

HA HA yuen兄見笑了,劣作不值一哂!最近工作忙,乜力都無哂>.<
回復

使用道具 舉報

發表於 2012-7-14 01:14:36 | 顯示全部樓層
xyzxkam 發表於 2012-7-14 00:54
哈哈,我重cheap,用八蚊1支的胆嚟做前級!咱家研發的4P1S牛出前級,图片為研發時拍的 ...

警告!!!
此DIYer位列師父級,經過長時間專業訓練,成壇嘢灘晒出來,仲要係幾佰volt膽機,各位切勿模仿!
回復

使用道具 舉報

發表於 2012-7-14 01:18:38 | 顯示全部樓層
xyzxkam 發表於 2012-7-14 01:12
HA HA yuen兄見笑了,劣作不值一哂!最近工作忙,乜力都無哂>.

等你無咁忙約埋輝兄弟及雄哥食飯...
回復

使用道具 舉報

發表於 2012-7-14 01:28:25 | 顯示全部樓層
ayuen 發表於 2012-7-14 01:14
警告!!!
此DIYer位列師父級,經過長時間專業訓練,成壇嘢灘晒出來,仲要係幾佰volt膽機,各位切勿模仿! ...

Ha Ha 幾佰volt,我有神功護體,電唔死o既 不過各位千祈咪學呀!
食飯?睇吓下星期二晚得唔得先~~~
回復

使用道具 舉報

發表於 2012-7-14 01:34:23 | 顯示全部樓層
skhgc 發表於 2012-7-13 23:43
我都係DIY左個地盒咋!劣作一個!

skhgc兄你好!能否講解吓個地盒的用途和原理?
回復

使用道具 舉報

發表於 2012-7-14 01:50:46 | 顯示全部樓層
嘿嘿!另一部前級的研發圖片,啲線亂Q到我自己都唔知邊條打邊條! 都係嗰句,各位切勿模仿!
IMG131.jpg
IMG130.jpg
IMG114.jpg
IMG112.jpg
IMG111.jpg
IMG133.jpg

評分

3

查看全部評分

回復

使用道具 舉報

發表於 2012-7-14 02:49:24 | 顯示全部樓層
iwantbd 發表於 2012-7-13 23:34
大雞三味---其一味啦叭線!

大雞三味-----其二味----CAT 7---USB 双頭龍!









DSC_0806.JPG DSC_0808.JPG DSC_0824.JPG DSC_0826.JPG
初步感覺------不遜色過純銀!

煲幾日再作評估!

評分

1

查看全部評分

回復

使用道具 舉報

發表於 2012-7-14 03:16:29 | 顯示全部樓層
xyzxkam 發表於 2012-7-14 01:50
嘿嘿!另一部前級的研發圖片,啲線亂Q到我自己都唔知邊條打邊條! 都係嗰句,各位切勿模仿!{:5_4 ...

勇氣可加 ......
回復

使用道具 舉報

發表於 2012-7-14 03:17:54 | 顯示全部樓層
iwantbd 發表於 2012-7-14 02:49
大雞三味-----其二味----CAT 7---USB 双頭龍!

唔錯喎 !!!
回復

使用道具 舉報

發表於 2012-7-14 09:06:07 | 顯示全部樓層
xyzxkam 發表於 2012-7-14 01:34
skhgc兄你好!能否講解吓個地盒的用途和原理?

個用途&原理咪同"農夫"大地盒一樣law!
多謝師兄加分!
回復

使用道具 舉報

發表於 2012-7-14 12:42:00 | 顯示全部樓層
kelvinchow8 發表於 2012-7-14 03:16
勇氣可加 ......

Kelvinchow8兄,好多DIYer都有這股傻勁,不過呢個傻得暈巡D,又唔係亂來嗰D!咁樣制作已經唔係'只供成年人收看類別',列為'師父指引類別',無師父指引成年人都唔啱玩!
回復

使用道具 舉報

 樓主| 發表於 2012-7-14 16:48:48 | 顯示全部樓層
ayuen 發表於 2012-7-14 00:15
skhgc兄,DIYer用cheap料做出靚效果更有satisfaction啊! 咪睇我同tmmi兄對seas酒桶喇叭好似好 ...

部窮鬼M10已發展到終老板,但做價仲cheap呀
回復

使用道具 舉報

發表於 2012-7-14 17:21:40 | 顯示全部樓層
哈哈!遲啲搞番個窮鬼前級大比拼!
回復

使用道具 舉報

發表於 2012-7-14 17:33:53 | 顯示全部樓層
xyzxkam 發表於 2012-7-14 01:50
嘿嘿!另一部前級的研發圖片,啲線亂Q到我自己都唔知邊條打邊條! 都係嗰句,各位切勿模仿!{:5_4 ...

膽前級要研發﹖圖片那一塊膽前級穩壓電源也是非常簡單.
干脆到大陸買個有膽穩壓電源的前級回來DIY比較好些。

膽前級適合LP﹐對CD好象直通好D。

CD的數碼聲並非膽前級可以解決﹐系數碼濾波器才最有效地改善數碼聲。前級分
音器中的濾波器也非常有效地改善數碼聲。。。。。
回復

使用道具 舉報

發表於 2012-7-14 17:40:16 | 顯示全部樓層
ayuen 發表於 2012-7-14 12:42
Kelvinchow8兄,好多DIYer都有這股傻勁,不過呢個傻得暈巡D,又唔係亂來嗰D!咁樣制作已經唔係'只供成年人 ...

只有市面沒有賣的﹐或DIY後提昇幾倍以上價值才有意義﹐DIY膽機系初學電子
者所為。
回復

使用道具 舉報

發表於 2012-7-14 21:23:50 | 顯示全部樓層
天下第一刀 發表於 2012-7-14 17:40
只有市面沒有賣的﹐或DIY後提昇幾倍以上價值才有意義﹐DIY膽機系初學電子
者所為。 ...

開宗明義,DIY重點是DO,唔係TALK,樂趣來自制作,初級中級高級都係DO。同好會在於分享,唔係吹水唔抹咀。有高級制作請上圖分享交流,讓各網友評分。齋talk無實踐嘅post,開個TIY的樂趣吹水會適合D。
回復

使用道具 舉報

發表於 2012-7-15 00:42:17 | 顯示全部樓層
天下第一刀 發表於 2012-7-14 17:33
膽前級要研發﹖圖片那一塊膽前級穩壓電源也是非常簡單.
干脆到大陸買個有膽穩壓電源的前級回來DIY比較 ...

哈哈!一刀兄你好!研發一詞的確有些用詞不當呢!又不是什麽新科技!

回復

使用道具 舉報

發表於 2012-7-15 09:29:53 | 顯示全部樓層
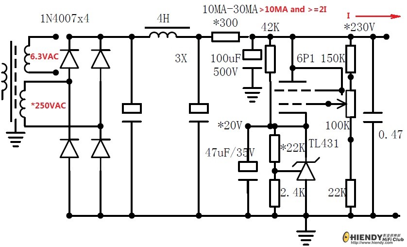
本帖最後由 天下第一刀 於 2012-7-15 09:43 編輯
ayuen 發表於 2012-7-14 21:23
開宗明義,DIY重點是DO,唔係TALK,樂趣來自制作,初級中級高級都係DO。同好會在於分享,唔係吹水唔抹咀 ...


圖系地球上沒有的Class A甲類並聯式膽前級穩壓電源﹐音色絕對比串聯式自然開闊.....適當加個電容就更有效地濾除電源的二三次諧波的干擾;對前級的穩壓﹐如果速度或動態不夠好﹐那么就不如RC濾波的音色那么自然.
Tube-REG1.jpg
回復

使用道具 舉報

發表於 2012-7-15 12:32:08 | 顯示全部樓層
天下第一刀 發表於 2012-7-15 09:29
圖系地球上沒有的Class A甲類並聯式膽前級穩壓電源﹐音色絕對比串聯式自然開闊.....適當加個電容就更有效 ...

制成品呢?有理論無實踐初級DIY者都未到 !唔做搞到我地DIYer好似講就天下無敵,做就有心無力。我都設計左D自已為是天下無敵廠都無嘅嘢,神舟19號鮫龍100號都設計左,不過唔識DO更唔知識唔識郁。你做你套嘢出來出到聲至講啦。
回復

使用道具 舉報

發表於 2012-7-15 12:41:14 | 顯示全部樓層
ayuen 發表於 2012-7-15 12:32
制成品呢?有理論無實踐初級DIY者都未到 !唔做搞到我地DIYer好似講就天下無敵,做就有心無力。 ...

正正式式"講就天下無敵"哈哈!
回復

使用道具 舉報

您需要登錄後才可以回帖 登錄 | 新用戶註冊

本版積分規則

Archiver|小黑屋|聯絡我們|刊登廣告|Hiendy.com 影音俱樂部 一個屬於音響愛好者的家

GMT+8, 2025-10-26 19:27 , Processed in 0.066052 second(s), 19 queries .

Powered by Discuz! X3.5

© 2001-2024 Discuz! Team.

快速回復 返回頂部 返回列表